4P漏電保護開關能否用于三相或單相回路?這里先給出答案:4P漏電保護開關能否用于三相或單相回路,從電流矢量和檢測原理的角度考慮,漏電保護功能不受影響,但是測試按鈕開關取電的形式會決定主回路接線,所以建議參考廠家的安裝示意圖。
本文以ABB F204漏電保護開關為例進行說明,其余廠家產品建議參考安裝說明。

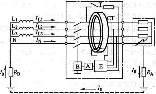
通俗的理解,4P漏電保護保護開關的工作原理是基于檢測所有帶電導體A、B、C、N回路內電流矢量和是否為0

正常情況下,當電路中沒有發生觸電、漏電或接地故障時,通過剩余電流互感器一次測的電流矢量和為0,此時二次側線圈也無感應電流,剩余電流保護器不動作。
IA+IB+IC+IN=0
當電路中發生設備漏電、觸電等接地故障時,由于存在接地故障電流Id,此時I1和I2不再相等,所以剩余電流互感器檢測出電流矢量和不為0,如果Id大于剩余電流保護器的動作值(比如30mA),保護器動作。
IA+IB+IC+IN≠0
如果把4P漏電保護開關接到沒有中性線N的三相電路或者只有L和N的單相電路中,理論上內部剩余電流互感器還是檢測ABC或L-N的電流矢量和是否為0,來判斷系統是否出現了漏電(接地)故障。
但是,我們不能忽略漏電保護器的日常測試按鈕回路的供電,如下圖4P漏電保護開關的N極處于右側,測試按鈕回路串聯在5/6-6/5和7/8/N-8/7/N兩極之間。
按照產品標準和相關規范,其工作電壓范圍從110V到254V之間。

所以,如果三相電路A、B、C或單相電路L-N接線時,開關最右邊兩極始終都接入電路,那么漏電保護和測試按鈕功能都不會受到影響。

但是,如果最右邊N極始終不接,那么就需要在N極與3/4-4/3 極之間增加一個電阻連接線,確保測試按鈕回路供電正常,電阻阻值依據漏電動作電流大小選擇。

對于N極在左側的4P漏電保護開關,測試按鈕回路是串聯在3/4-4/3和5/6-6/5兩極。

此時,所有帶電導體靠右接線都不會影響其功能。

所以,4P漏電保護開關能否用于三相或單相回路,從電流矢量和檢測原理的角度考慮,漏電保護功能不受影響,但是測試按鈕開關取電的形式會決定主回路接線,所以建議參考廠家的安裝示意圖。
作者:賓昭平
相關閱讀
◆微型斷路器你真的會用嗎
◆為何雙極斷路器的相線端子和N線端子不能互換
