案例
某水池深度3m,水池正常蓄水時需要水池水位保持在1.8-2.5m之間,業主要求水位超過2.8m提供高水位聲光報警,水位低于1.5mm時提供低水位聲光報警,水池水位控制系統能手動或自動控制水泵來保持水位在一定范圍穩定,間接保持出水壓力的穩定。
儀表配置
從業主的要求中不難看出:采用位式控制就可以實現用戶要求;水池水位測量采用YR3101-0/3-1-4投入式液位變送器,將0-3m水位信號轉換為4-20mA信號,輸入至顯示控制儀,如圖1所示;顯示控制儀采用YR-GNC804-01-12-HHLL-P-T(儀表帶4個報警輸出、1路DC24V饋電輸出),水位變送器的24VDC電源由顯示控制儀提供,水位高于2.8m時顯示控制儀報警AL1輸出高水位報警信號,水位低于1.5m時顯示控制儀報警AL4輸出低水位報警信號,水位低于2.2m時顯示控制儀報警AL3輸出水泵啟動控制信號,水位高于2.5m時顯示控制儀報警AL3輸出水泵停止控制信號。

圖1 水位控制系統框圖
顯示控制儀參數設置表1
參數名稱 參數符號 設置范圍或代碼 一級或二級參數 說明
第一報警值 AL1 2800 一級參數 高水位報警設定值
第二報警值 AL2 出廠預設值 一級參數 沒有使用
第三報警值 AL3 1800 一級參數 水泵啟動設定值
第四報警值 AL4 1500 一級參數 低水位報警設定值
第一報警值回差 AH1 10 一級參數
第二報警值回差 AH2 出廠預設值 一級參數
第三報警值回差 AH3 700 一級參數 AL3+AH3=水泵停止設定值
第四報警值回差 AH4 10 一級參數
SV顯示屏內容 SdIs 3 一級參數 顯示AL3值(水泵啟動值)
輸入分度號 Pn 27 二級參數 輸入信號4-20mA
小數點 dP 0 二級參數 顯示無小數點
第一報警方式 ALM1 2 二級參數 AL1為上上限報警
第二報警方式 ALM2 2 二級參數 AL2為上限報警
第三報警方式 ALM3 1 二級參數 AL3為下限報警
第四報警方式 ALM4 1 二級參數 AL4為下下限報警
閃爍報警 ALG 0 二級參數
濾波系數 FK 2 二級參數
報警功能 ALM 0 二級參數
斷線顯示值 brK 1 二級參數 斷線時顯示最大值
設備號 Addr 出廠預設值 二級參數
通訊波特率 bAUd 出廠預設值 二級參數
顯示輸入的零點遷移 Pb 0 二級參數
顯示輸入的量程比例 Pk 1 二級參數
第1變送輸出的零點遷移 1oub 0 二級參數
第1變送輸出的放大比例 1ouk 1 二級參數
第2變送輸出的零點遷移 2oub 0 二級參數
第2變送輸出的放大比例 2ouk 1 二級參數
變送輸出量程下限 ouL 全量程 二級參數 液位變送器上限量程3000mmmm
變送輸出量程下限 ouH 全量程 二級參數 液位變送器下限量程0mm
閃爍報警上限 GH 3000 二級參數 液位變送器上限量程3000mmmm
閃爍報警下限 GL 0 二級參數 液位變送器下限量程0mm
光柱顯示上限 ZH 3000 二級參數 液位變送器上限量程3000mmmm
光柱顯示下限 ZL 0 二級參數 液位變送器上限量程0mmmm
測量量程上限 PH 3000 二級參數 液位變送器下限量程0mm
測量量程下限 PL 0 二級參數 液位變送器上限量程3000mmmm
水位控制系統原理

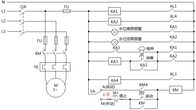
圖2 水位控制手動/自動操作及報警電路圖
1、當三檔開關切SA換至自動(A)時,KA繼電器由顯示控制儀的AL3輸出觸點29、30進行控制:水位低于設定值1800mm時,29、30閉合使KA帶電,水泵電機啟動進水;水位高于2500mm(AL3報警值1800+AH3回差值700)時,29、30打開使KA失電,水泵電機停止運行;當水位低于1500mm時,顯示控制儀AL4觸點31,32輸出水位下限報警信號,使KA2繼電器動作,KA2閉合,水位下限報警燈亮,同時電鈴響,提醒操作人員注意;當水位低于2800mm時,顯示控制儀AL1觸點1,2輸出水位上限報警信號,使KA1繼電器動作,KA1閉合,水位上限報警燈亮,同時電鈴響,提醒操作人員注意;按下消音按鈕SB,KA3繼電器吸合,KA3常閉觸點斷開,電鈴聲停止。同時KA3常開觸點閉合使KA3繼電器保持通電,直至低水位報警(或高水位報警)消除,電路恢復原狀。
2、當三檔開關SA切換至手動(M)時,水泵自動控制退出,但水位高低報警依然有效。按啟動按鈕SB1時水泵啟動進水,按停止按鈕SB2時水泵停止進水。
3、當三檔開關SA切換至強制斷開(空)時,水泵自動/手動控制均退出,但水位高低報警依然有效。
這里大家思考一下:從實現手動/自動水泵控制原理來看,使用兩檔開關SA就可以,為什么筆者選用三檔開關呢?水位控制系統投運前先觀察水位顯示是否正常。手動操作確定水泵能正常工作,設置好顯示控制儀參數就可以切到自動控制。
相關閱讀
深入了解顯示控制儀性能及應用,選好用好顯示控制儀
