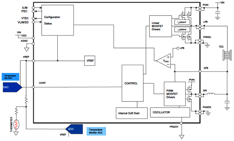
TEC控制器基本框圖如下。以集成FET管的TEC控制器為例,通常包含以下幾部分:高精度、低溫漂的溫度信號測量誤差放大器,補償放大器,參考電源發生器,振蕩器,PWM控制器,場效應管驅動器以及場效應管。

TEC控制器(ADN883X)基本框圖
溫度傳感器將被控環境的溫度信號轉化為電壓信號,并將此電壓信號輸入到溫度測量放大器進行放大,并與設定的目標溫度對應的電壓值進行比較,產生誤差信號,該誤差信號經過補償放大器進行積分放大后傳到脈寬調制線性放大器進一步放大,之后輸出兩組信號推動溫度控制的執行驅動器(如功率管),由功率管輸出的電流促使TEC進行制熱或者制冷,使得被控環境溫度向目標溫度靠近,而傳感器再實時的將感應的環境溫度傳給溫度信號放大器,如此形成閉環回路。
